设为首页
加入收藏
理事长邮箱
协会邮箱
热搜:
气体
培训
压力容器
安全
首页
分支机构
二氧化碳专委会
氢气专业委员会
气体分析技术及仪器设备专委会
焊割气专委会
液化天然气分会
交通能源分会
医用气体及工程分会
消防气体及工程分会
压力设备分会
气体安全分会
安全注册
通知公告
政策文件
评审动态
评审结果
证书样式
服务中心
质检机构
下载中心
职业能力评价
政策文件
通知文件
下载中心
培训动态
考务管理
评价标准
评价中心
评价分中心
评价站
标准规范
征求意见
政策文件
团体标准
区域标准
气体产品标准
食品气体标准
消防气体标准
能源气体标准
医用气体标准
特种设备标准
安全标准
交通运输标准
其他标准
工作动态
碳足迹
质量品牌
知名品牌
通知公告
政策文件
科技奖励
信用评价
信用评价结果
政策法规
评价规范
信用评价
气体应急救援
政策文件
气体应急动态
应急预案管理
气体应急指南
气体应急演练
信息市场
市场行情
热点述评
专题调研
行业统计
国际贸易动态
项目信息
党建工作
中央精神
学习动态
新闻时评
English
CIGIA Events
International Arena
Feature Report
Industry Focus
当前位置:
首页
/
标准规范
/
特种设备标准
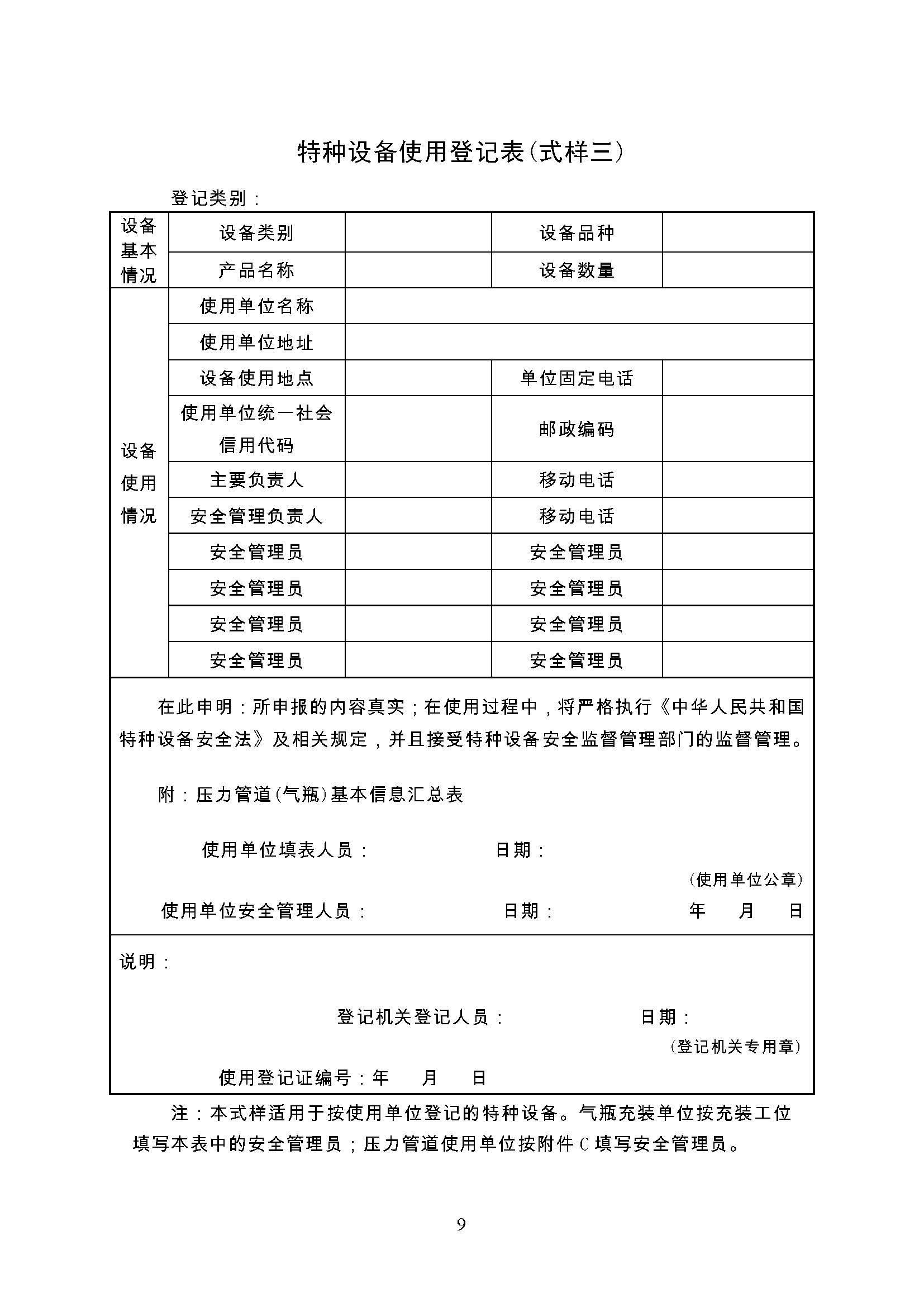
关于征求对国家市场监管总局特种设备局的《特种设备生产和充装单位许可规则》第2号修改单和《特种设备使用管理规则》第1号修改单的意见函
发布日期:2023/05/18 来源:中国气协 本站有
人浏览
分享到:
附件1:
附件1.docx
附件2:
附件2.docx